
|
Электродвигатель ДСО 32, ДСОР 32
Общие сведения
Применение
Электродвигатели тихоходные синхронные многополюсные однофазные типа ДСО 32 (без редуктора)
и ДСОР 32 (с редуктором) , с питанием от однофазной сети переменного тока частотой 50 или 60 Гц,
надежным однонаправленным пуском без каких либо устройств, применяются в приборах и средствах
промышленной автоматики , бытовых приборах, реле времени.
Режим работы
Режим работы двигателей – продолжительный S1 по ГОСТ 183-74 или повторно-кратковременный с
частыми пусками с продолжительностью включения (ПВ) 60% и частотой включения в час до 3600 для
двигателей типа ДСО 32 и до 240 для двигателей типа ДСОР 32.
Класс защиты-0 по ГОСТ 12.2.007.0-75
Степень защиты-IP30 по ГОСТ 17494-87
Виды климатических исполнений-У3 и Т3 по ГОСТ 15150-69
 
Технические характеристики
| Наименование |
Напряжение питания, В |
Номинальная частота напряжения питания, Гц |
Номинальная частота вращения, мин -1 |
Наличие редуктора |
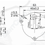
Диаметр выходного вала редуктора, мм, d |
|
|
|
Цена, руб |
| ДСО 32-0,08-0,450 |
12, 24, 40, 60, 110, 127, 220 |
60 |
450 |
Без редуктора |
- |
|
|
|
требует расчёта
|
| ДСО 32-0,1-0,375 |
12, 24, 40, 60, 110, 127, 220 |
50 |
375 |
Без редуктора |
- |
|
|
|
требует расчёта
|
| ДСОР 32-0,4-60 |
12, 24, 40, 60, 110, 127, 220 |
50 |
60 |
С редуктором |
3 |
|
|
|
требует расчёта
|
| ДСОР 32-0,32-72 |
12, 24, 40, 60, 110, 127, 220 |
60 |
72 |
С редуктором |
3 |
|
|
|
требует расчёта
|
| ДСОР 32-10-2,4 |
12, 24, 40, 60, 110, 127, 220 |
60 |
2,4 |
С редуктором |
3 |
|
|
|
требует расчёта
|
| ДСОР 32-10-2 |
12, 24, 40, 60, 110, 127, 220 |
50 |
2 |
С редуктором |
3 |
|
|
|
требует расчёта
|
| ДСОР 32-25-0,2 |
12, 24, 40, 60, 110, 127, 220 |
50 |
0,2 |
С редуктором |
5 |
|
|
|
требует расчёта
|
| ДСОР 32-30-1/300 |
12, 24, 40, 60, 110, 127, 220 |
50 |
0,003 |
С редуктором |
5 |
|
|
|
требует расчёта
|
| Наименование |
Напряжение питания, В |
Номинальная частота напряжения питания, Гц |
Номинальная частота вращения, мин -1 |
Наличие редуктора |
Диаметр выходного вала редуктора, мм, d |
|
|
|
Цена, руб |
| ДСО 32-0,08-0,450 |
12, 24, 40, 60, 110, 127, 220 |
60 |
450 |
Без редуктора |
- |
|
|
|
требует расчёта |
| ДСО 32-0,1-0,375 |
12, 24, 40, 60, 110, 127, 220 |
50 |
375 |
Без редуктора |
- |
|
|
|
требует расчёта |
| ДСОР 32-0,4-60 |
12, 24, 40, 60, 110, 127, 220 |
50 |
60 |
С редуктором |
3 |
|
|
|
требует расчёта |
| ДСОР 32-0,32-72 |
12, 24, 40, 60, 110, 127, 220 |
60 |
72 |
С редуктором |
3 |
|
|
|
требует расчёта |
| ДСОР 32-10-2,4 |
12, 24, 40, 60, 110, 127, 220 |
60 |
2,4 |
С редуктором |
3 |
|
|
|
требует расчёта |
| ДСОР 32-10-2 |
12, 24, 40, 60, 110, 127, 220 |
50 |
2 |
С редуктором |
3 |
|
|
|
требует расчёта |
| ДСОР 32-25-0,2 |
12, 24, 40, 60, 110, 127, 220 |
50 |
0,2 |
С редуктором |
5 |
|
|
|
требует расчёта |
| ДСОР 32-30-1/300 |
12, 24, 40, 60, 110, 127, 220 |
50 |
0,003 |
С редуктором |
5 |
|
|
|
требует расчёта |
Просмотреть
полный список технических характеристик
Версия для печати
Характеристики товаров, цены и информация, размещенная на данной
странице сайта не является публичной офертой. Перед размещением заказа уточняйте о возможных изменениях.
|